
購買SKF MB3軸承,及MB3軸承同系列產品,或者SKF公司其他產品,請聯(lián)系SKF進口軸承代理-鼎力晟業(yè),我們提供準時高效的服務。
型號:MB3
品牌:SKF
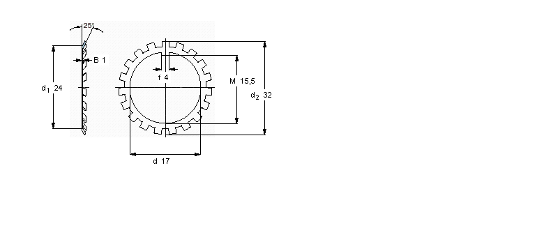
內徑:17
外徑:32
厚度:1
系列:MB(L)鎖定墊圈
【
手機版 MB3軸承
點擊量
更新日期:2021/12/28
】
電話:020-36026999 傳真:020-36705678 服務熱線:18922176822 郵箱:sales@gzbearing.cn
| MB(L)鎖定墊圈 | ||||||
|
|
||||||
| 尺寸 | 體積 | 型號 | ||||
| 鎖緊墊圈 | 適宜的鎖定螺母 | |||||
| d | d2 | B | ||||
|
|
||||||
| mm | kg | - | ||||
|
|
||||||
| 17 | 32 | 1 | 0,003 | MB 3 | KM 3 | |
5205A-2RS1軸承 6007RSR軸承 SAF22238軸承 YAR206-102-2F軸承 7203AC軸承 7228DB軸承 15120/15244軸承 30240-A軸承 23240CCK/W33+H2340軸承 7209AC/DB軸承 7017AC/DT軸承 HTA020DB軸承 7318CDB軸承 234440M.SP軸承 CF20BUUR軸承 61902軸承 NJ2328ECMA軸承 7320BEGAM軸承 NNU4956K軸承 7011軸承