
作為傳統(tǒng)的進口軸承代理商,鼎力晟業(yè)以廣州為基地,全方位展開與SKF公司的合作,為本地SKF MB12A軸承提供強大的貨源支持,并迅速推廣到全國各地,經過多年的努力,MB12A軸承已成為我們的主導產品之一。
型號:MB12A
品牌:SKF
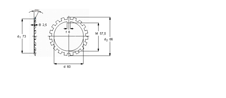
內徑:60
外徑:86
厚度:2.5
系列:MB(L)鎖定墊圈
【
手機版 MB12A軸承
點擊量
更新日期:2021/12/28
】
電話:020-36026999 傳真:020-36705678 服務熱線:18922176822 郵箱:sales@gzbearing.cn
| MB(L)鎖定墊圈 | ||||||
|
|
||||||
| 尺寸 | 體積 | 型號 | ||||
| 鎖緊墊圈 | 適宜的鎖定螺母 | |||||
| d | d2 | B | ||||
|
|
||||||
| mm | kg | - | ||||
|
|
||||||
| 60 | 86 | 2,5 | 0,04 | MB 12 A | KM 12 | |