
作為傳統(tǒng)的進口軸承代理商,鼎力晟業(yè)以廣州為基地,全方位展開與SKF公司的合作,為本地SKF MB13軸承提供強大的貨源支持,并迅速推廣到全國各地,經過多年的努力,MB13軸承已成為我們的主導產品之一。
型號:MB13
品牌:SKF
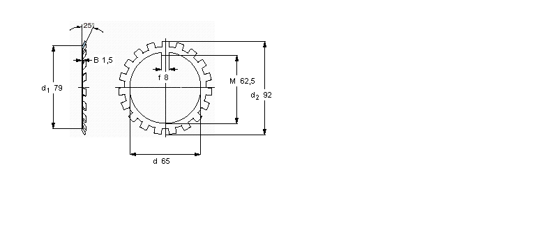
內徑:65
外徑:92
厚度:1.5
系列:MB(L)鎖定墊圈
【
手機版 MB13軸承
點擊量
更新日期:2021/12/28
】
電話:020-36026999 傳真:020-36705678 服務熱線:18922176822 郵箱:sales@gzbearing.cn
| MB(L)鎖定墊圈 | ||||||
|
|
||||||
| 尺寸 | 體積 | 型號 | ||||
| 鎖緊墊圈 | 適宜的鎖定螺母 | |||||
| d | d2 | B | ||||
|
|
||||||
| mm | kg | - | ||||
|
|
||||||
| 65 | 92 | 1,5 | 0,03 | MB 13 | KM 13 | |
6213-2RS軸承 239/600K軸承 7315BDT軸承 HCB7013-E-2RSD-T-P4S軸承 NA6911A軸承 6902BZ軸承 BR283716軸承 24040CC/W33軸承 7919C軸承 NU1032軸承 6213/HC5C3軸承 2×7318BECBP軸承 NJ2256軸承 F682XZZ軸承 HC7004-E-T-P4S軸承 21304-E1-TVPB軸承 52310軸承 699軸承 NJ421+HJ421軸承 FY45WM軸承