
購買SKF PDNB313軸承,及PDNB313軸承同系列產品,或者SKF公司其他產品,請聯系SKF進口軸承代理-鼎力晟業(yè),我們提供準時高效的服務。
型號:PDNB313
品牌:SKF
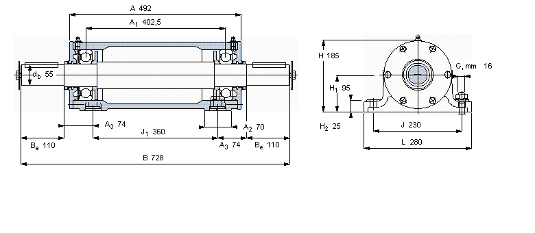
內徑:55
外徑:728
厚度:185
系列:雙軸承單元, PDNB單元
【
手機版 PDNB313軸承
點擊量
更新日期:2021/12/28
】
電話:020-36026999 傳真:020-36705678 服務熱線:18922176822 郵箱:sales@gzbearing.cn
| 雙軸承單元, PDNB單元 | ||||||||||
|
|
||||||||||
| 尺寸 | 整體軸承 | 質量 | 型號 | |||||||
| Key402 | 定位軸承 | 軸承單元 | ||||||||
| db | B | H | H1 | L | ||||||
|
|
||||||||||
| mm | - | kg | - | |||||||
|
|
||||||||||
| 55 | 728 | 185 | 95 | 280 | 6313 | 6313 | - | 57,5 | PDNB 313 | |
B7230E.T.P4S.UL軸承 HJ2316軸承 ET-33207軸承 6916ZN軸承 GIKR30-PW軸承 JM714210軸承 KRE16PPA軸承 7200C/DT軸承 HCS7001-C-T-P4S軸承 CFE16VUU軸承 RSHEY40-TV-VA軸承 SL014864軸承 1304K+H304軸承 23032CCK/W33+H3032軸承 TAF121916/SG軸承 BVNB328407/HA1軸承 7207ACD/DT軸承 7018CD軸承 LME304768-OP軸承 21320CE4軸承