
SKF NNC4836CV軸承是鼎力晟業(yè)長期代理的產品,鼎力晟業(yè)與SKF公司具有長期的NNC4836CV軸承采購計劃,可以為國內用戶提供足夠數量的SKF NNC4836CV軸承,讓您的工廠無憂運轉。
型號:NNC4836CV
品牌:SKF
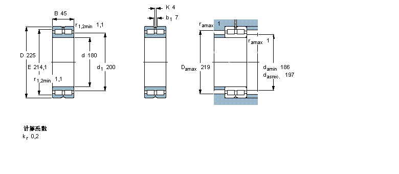
內徑:180
外徑:225
厚度:45
系列:圓柱滾子軸承, 雙列滿裝滾子, 無密封件, 雙方向軸向負荷的擋邊
【
手機版 NNC4836CV軸承
點擊量
更新日期:2021/12/28
】
電話:020-36026999 傳真:020-36705678 服務熱線:18922176822 郵箱:sales@gzbearing.cn
| 圓柱滾子軸承, 雙列滿裝滾子, 無密封件, 雙方向軸向負荷的擋邊 | ||||||||||
| 公差 , 參見文字 | ||||||||||
| 徑向內部游隙 , 參見文字 | ||||||||||
| 推薦配合 | ||||||||||
| 軸和軸承座公差 | ||||||||||
|
|
||||||||||
| 主要數據尺寸 | 基本負荷額定值 | 疲勞負荷限值 | 額定速度 | 體積 | 型號 | |||||
| 動態(tài) | 靜態(tài) | 參照速度 | 限制速度 | |||||||
| d | D | B | C | C0 | Pu | |||||
|
|
||||||||||
| mm | kN | kN | r/min | kg | - | |||||
|
|
||||||||||
| 180 | 225 | 45 | 297 | 695 | 69,5 | 1200 | 1500 | 4,30 | NNC 4836 CV | |