
鼎力晟業(yè)是SKF進口軸承代理商,不僅為工業(yè)配套用戶提供SKF KMT7軸承,在維修市場也提供足夠的支持,是SKF軸承在國內的優(yōu)質經(jīng)銷商之一,購買SKF KMT7軸承,鼎力晟業(yè)是您放心的選擇。
型號:KMT7
品牌:SKF
內徑:35
外徑:49
厚度:22
系列:帶鎖緊銷的KMT精密鎖緊定螺母
【
手機版 KMT7軸承
點擊量
更新日期:2021/12/28
】
電話:020-36026999 傳真:020-36705678 服務熱線:18922176822 郵箱:sales@gzbearing.cn
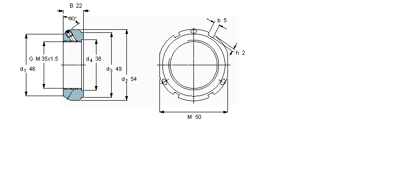
| 帶鎖緊銷的KMT精密鎖緊定螺母 | ||||||||||
|
|
||||||||||
| 螺紋尺寸 | 尺寸 | 軸向負荷 | 體積 | 型號 | 平頭螺釘 | |||||
| 承載能力 | 鎖定螺母 | 適宜的板手 | 尺寸 | 推薦的緊固扭矩 | ||||||
| d3 | B | G | 靜態(tài) | |||||||
|
|
||||||||||
| - | mm | - | kN | kg | - | - | - | Nm | ||
|
|
||||||||||
| 35 | 49 | 22 | M 35x1.5 | 190 | 0,19 | KMT 7 | HN 7 | M 6 | 8 | |
UCF212-207D1軸承 78255X/78571軸承 32224/32224軸承 AH3036軸承 627-2Z軸承 HS7007-E-T-P4S軸承 NJ320E軸承 M241547/M241513XD軸承 31317J2/DF軸承 NU313E軸承 K28X35X18軸承 BCE1812軸承 55KBE03軸承 23184RK+AH3184軸承 61905-ZN軸承 6301ZN軸承 H3996軸承 7226CDF軸承 29248軸承 PWTR50110.2RS軸承