
SKF FBSA205/DB軸承是鼎力晟業(yè)長期代理的產品,鼎力晟業(yè)與SKF公司具有長期的FBSA205/DB軸承采購計劃,可以為國內用戶提供足夠數量的SKF FBSA205/DB軸承,讓您的工廠無憂運轉。
型號:FBSA205/DB
品牌:SKF
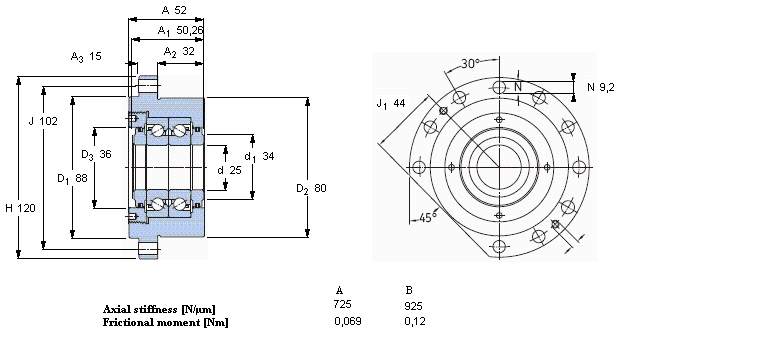
內徑:25
外徑:80
厚度:52
系列:角接觸推力球軸承 for screw drives, cartridge units with flanged housing
【
手機版 FBSA205/DB軸承
點擊量
更新日期:2021/12/28
】
電話:020-36026999 傳真:020-36705678 服務熱線:18922176822 郵箱:sales@gzbearing.cn
| 角接觸推力球軸承 for screw drives, cartridge units with flanged housing | |||||||||||
| 公差, inner rings, outer rings, see also text | |||||||||||
| Preload, see specific bearing, see also text | |||||||||||
| Shaft fits, housing fits | |||||||||||
| 軸和軸承座公差 | |||||||||||
|
|
|||||||||||
| 主要數據尺寸 | 基本負荷額定值 | 疲勞負荷限值 | 可達到的速度 | 體積 | 型號 | ||||||
| 動態(tài) | 靜態(tài) | 預壓 | SKF | SNFA | |||||||
| A | B | ||||||||||
| d | D2 | A | C | C0 | Pu | ||||||
|
|
|||||||||||
| mm | kN | kN | r/min | kg | - | ||||||
|
|
|||||||||||
| 25 | 80 | 52 | 22,4 | 52 | 1,93 | 7200 | 3600 | 2,3 | FBSA 205/ DB | BSDU 225 DD | |
239/850K.MB+AH39/850軸承 23138-E1A-K-M+H3138軸承 23988CAKE4軸承 32915軸承 71909C/DB軸承 7230B/DT軸承 JHM840410軸承 D12軸承 HS7018-C-T-P4S軸承 AOH24164軸承 6310軸承 NU2320軸承 380KBE131軸承 HTA036DB軸承 HCS71926-E-T-P4S軸承 21320RHK軸承 6209NR軸承 7320CDB軸承 RNA4917軸承 5315RS軸承