
購買SKF BS2B243262軸承,及BS2B243262軸承同系列產品,或者SKF公司其他產品,請聯系SKF進口軸承代理-鼎力晟業(yè),我們提供準時高效的服務。
型號:BS2B243262
品牌:SKF
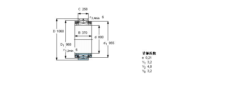
內徑:800
外徑:1060
厚度:370
系列:球面滾子軸承, 剖分式
【
手機版 BS2B243262軸承
點擊量
更新日期:2021/12/28
】
電話:020-36026999 傳真:020-36705678 服務熱線:18922176822 郵箱:sales@gzbearing.cn
| 球面滾子軸承, 剖分式 | |||||||||
| 公差 , 參見文字 | |||||||||
| 徑向內部游隙 , 參見文字 | |||||||||
| 推薦配合, 參見文字 | |||||||||
| 軸和軸承座公差 | |||||||||
|
|
|||||||||
| 主要數據尺寸 | 基本負荷額定值 | 疲勞負荷限值 | 體積 | 型號 | |||||
| 動態(tài) | 靜態(tài) | ||||||||
| d | D | B | C | C | C0 | Pu | |||
|
|
|||||||||
| mm | kN | kN | kg | - | |||||
|
|
|||||||||
| 800 | 1060 | 370 | 258 | 6900 | 18600 | 1020 | 810 | BS2B 243262 | |
7093/7196軸承 PCFT15軸承 6310軸承 TA1012Z軸承 2558/2523軸承 SY2.1/2TF軸承 F-803021.PRL軸承 6215Z軸承 HH224334/HH224310CD軸承 480KBV039軸承 6001-2Z軸承 HM903249/2/210/QCL7C軸承 NU2217軸承 QJ217MPA軸承 6212-2NSL軸承 HR100KBE52X+L軸承 E-M252349D/M252310/M252310D軸承 71936AC軸承 60/22軸承 52230軸承