
鼎力晟業(yè)是SKF進口軸承代理商,不僅為工業(yè)配套用戶提供SKF 6209-2Z/VA201軸承,在維修市場也提供足夠的支持,是SKF軸承在國內的優(yōu)質經銷商之一,購買SKF 6209-2Z/VA201軸承,鼎力晟業(yè)是您放心的選擇。
型號:6209-2Z/VA201
品牌:SKF
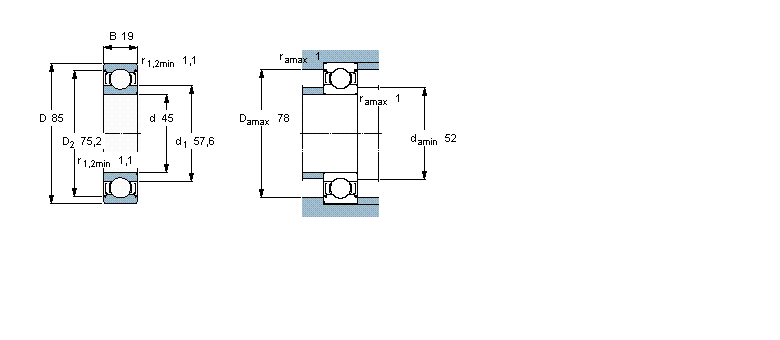
內徑:45
外徑:85
厚度:19
系列:深溝球軸承, 用于高溫的深溝球軸承, 兩面防塵罩
【
手機版 6209-2Z/VA201軸承
點擊量
更新日期:2021/12/28
】
電話:020-36026999 傳真:020-36705678 服務熱線:18922176822 郵箱:sales@gzbearing.cn
| 深溝球軸承, 用于高溫的深溝球軸承, 兩面防塵罩 | ||||||||
| 公差 , 參見文字 | ||||||||
| 徑向內部間隙, 參見文字 | ||||||||
| 推薦配合 | ||||||||
| 軸和軸承座公差 | ||||||||
|
|
||||||||
| 主要數據尺寸 | 基本負荷額定值 | 徑向內部游隙 | 體積 | 型號 | ||||
| 靜態(tài) | ||||||||
| d | D | B | C0 | 最小 | 最大 | |||
|
|
||||||||
| mm | kN | μm | kg | - | ||||
|
|
||||||||
| 45 | 85 | 19 | 21,6 | 180 | 292 | 0,41 | 6209-2Z/VA201 | |