
作為傳統(tǒng)的進口軸承代理商,鼎力晟業(yè)以廣州為基地,全方位展開與SKF公司的合作,為本地SKF NU1008ML軸承提供強大的貨源支持,并迅速推廣到全國各地,經過多年的努力,NU1008ML軸承已成為我們的主導產品之一。
型號:NU1008ML
品牌:SKF
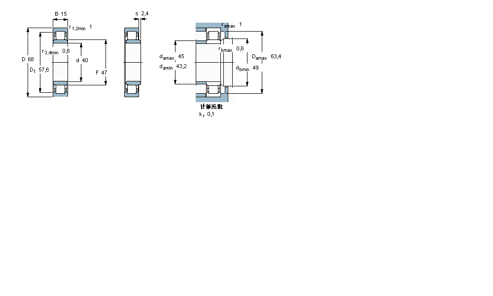
內徑:40
外徑:68
厚度:15
系列:圓柱滾子軸承, 單列, NU 設計
【
手機版 NU1008ML軸承
點擊量
更新日期:2021/12/28
】
電話:020-36026999 傳真:020-36705678 服務熱線:18922176822 郵箱:sales@gzbearing.cn
| 圓柱滾子軸承, 單列, NU 設計 | ||||||||||||
| 公差 , 參見文字 | ||||||||||||
| 徑向內部間隙, 圓柱型內孔 , 圓錐型內孔, 無密封件 , 參見文字 | ||||||||||||
| 推薦配合 | ||||||||||||
| 軸和軸承座公差 | ||||||||||||
|
|
||||||||||||
| 主要數據尺寸 | 基本負荷額定值 | 疲勞負荷限值 | 額定速度 | 體積 | 型號 | 適宜的斜擋圈 | ||||||
| 動態(tài) | 靜態(tài) | 參照速度 | 限制速度 | 型號 | ||||||||
| d | D | B | C | C0 | Pu | |||||||
|
|
||||||||||||
| mm | kN | kN | r/min | kg | - | - | ||||||
|
|
||||||||||||
| 40 | 68 | 15 | 25,1 | 26 | 3 | 12000 | 18000 | 0,22 | NU 1008 ML | - | ||
6900NR軸承 61900-2RS軸承 NJ410-M1軸承 HM926745/HM926710軸承 3305ATN9軸承 C2217K+H317E軸承 240/560BK30軸承 BT4B329004BG/HA1VA901軸承 32024XU軸承 MFJ-1816軸承 6802NKE軸承 24136CK30E4軸承 AXK140180軸承 7004CDB軸承 QJ312N2軸承 AHX320/90軸承 46T32321JR/133軸承 NJ2324軸承 6003ZZN軸承 5214Z軸承