
鼎力晟業(yè)是SKF進口軸承代理,銷售SKF 32240J2/DF軸承,不僅具備價格優(yōu)勢,而且在供貨及時性、供貨能力方面具有比較優(yōu)勢,能在最短的時間內為用戶提供原裝進口的SKF 32240J2/DF軸承。
型號:32240J2/DF
品牌:SKF
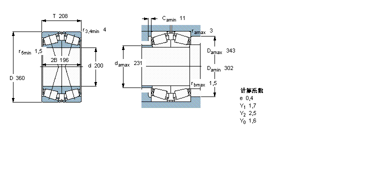
內徑:200
外徑:360
厚度:208
系列:圓錐滾子軸承, 單列,面對面配對
【
手機版 32240J2/DF軸承
點擊量
更新日期:2021/12/28
】
電話:020-36026999 傳真:020-36705678 服務熱線:18922176822 郵箱:sales@gzbearing.cn
| 圓錐滾子軸承, 單列,面對面配對 | ||||||||||
| 公差 , 參見文字 | ||||||||||
| 軸向內部間隙, 參見文字 | ||||||||||
| 推薦配合 | ||||||||||
| 軸和軸承座公差 | ||||||||||
|
|
||||||||||
| 主要數據尺寸 | 基本負荷額定值 | 疲勞負荷限值 | 額定速度 | 體積 | 型號 | |||||
| 動態(tài) | 靜態(tài) | 參照速度 | 限制速度 | |||||||
| d | D | T | C | C0 | Pu | |||||
|
|
||||||||||
| mm | kN | kN | r/min | kg | - | |||||
|
|
||||||||||
| 200 | 360 | 208 | 2090 | 4000 | 360 | 1000 | 1700 | 88,0 | 32240 J2/DF | |
1209EK軸承 6017ZNR軸承 FWF-323713軸承 HCB7009-E-T-P4S軸承 6406軸承 CF8WBUUR/SG軸承 YB1012軸承 N320ECM軸承 6011RU軸承 23226-E1-K-TVPB軸承 NJ2320-E-TVP2+HJ2320E軸承 HJ412軸承 22244EW33軸承 GEC420FBAS軸承 BTM60B/P4CDBB軸承 2631軸承 6208-RZ軸承 HCB71905-E-T-P4S軸承 6224DU軸承 22312E/VA405軸承