
訂購SKF 31318T103J2/DB31軸承,請隨時與我們聯系,我們將根據匯率的波動為您提供實時準確的價格,確保以最優(yōu)惠的價格為您提供優(yōu)質的SKF 31318T103J2/DB31軸承。
型號:31318T103J2/DB31
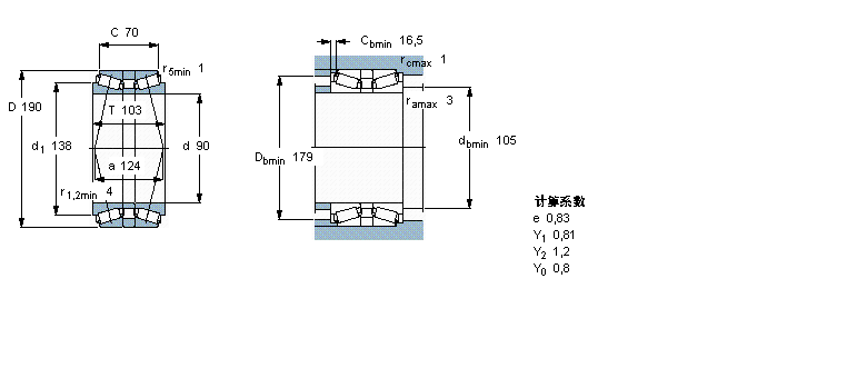
品牌:SKF
內徑:90
外徑:190
厚度:103
系列:圓錐滾子軸承, 單列,背對背配對
【
手機版 31318T103J2/DB31軸承
點擊量
更新日期:2021/12/28
】
電話:020-36026999 傳真:020-36705678 服務熱線:18922176822 郵箱:sales@gzbearing.cn
| 圓錐滾子軸承, 單列,背對背配對 | ||||||||||
| 公差 , 參見文字 | ||||||||||
| 軸向內部間隙, 參見文字 | ||||||||||
| 推薦配合 | ||||||||||
| 軸和軸承座公差 | ||||||||||
|
|
||||||||||
| 主要數據尺寸 | 基本負荷額定值 | 疲勞負荷限值 | 額定速度 | 體積 | 型號 | |||||
| 動態(tài) | 靜態(tài) | 參照速度 | 限制速度 | |||||||
| d | D | B | C | C0 | Pu | |||||
|
|
||||||||||
| mm | kN | kN | r/min | kg | - | |||||
|
|
||||||||||
| 90 | 190 | 103 | 457 | 630 | 73,5 | 1900 | 3400 | 12,5 | 31318T103 J2/DB31 | |
FL60/2.5軸承 NJ320-E-TVP2+HJ320E軸承 K145X153X26軸承 63222RU軸承 7224BDF軸承 IRT5050軸承 7006ACE/HCP4A軸承 R156軸承 53324MP+U324軸承 19145D/19283軸承 LRBZ121612軸承 NF305軸承 2924軸承 22230CCK/W33軸承 21315EX1軸承 NNCL4920CV軸承 7240C/DF軸承 7304-B-2RS-TVP軸承 663/652軸承 30236U軸承