
SKF 241/850ECAK30F/W33軸承是鼎力晟業(yè)長期代理的產品,鼎力晟業(yè)與SKF公司具有長期的241/850ECAK30F/W33軸承采購計劃,可以為國內用戶提供足夠數量的SKF 241/850ECAK30F/W33軸承,讓您的工廠無憂運轉。
型號:241/850ECAK30F/W33
品牌:SKF
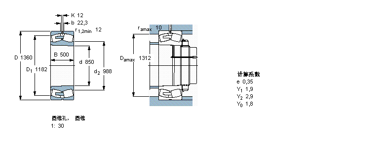
內徑:850
外徑:1360
厚度:500
系列:球面滾子軸承, 圓柱和圓錐孔, 圓錐型內孔, 無密封件
【
手機版 241/850ECAK30F/W33軸承
點擊量
更新日期:2021/12/28
】
電話:020-36026999 傳真:020-36705678 服務熱線:18922176822 郵箱:sales@gzbearing.cn
| 球面滾子軸承, 圓柱和圓錐孔, 圓錐型內孔, 無密封件 | ||||||||||
| 公差 , 參見文字 | ||||||||||
| 徑向內部間隙, 圓柱型內孔 , 圓錐型內孔, 無密封件 , 參見文字 | ||||||||||
| 推薦配合 | ||||||||||
| 軸和軸承座公差 | ||||||||||
|
|
||||||||||
| 主要數據尺寸 | 基本負荷額定值 | 疲勞負荷限值 | 額定速度 | 體積 | 型號 | |||||
| 動態(tài) | 靜態(tài) | 參照速度 | 限制速度 | |||||||
| d | D | B | C | C0 | Pu | |||||
|
|
||||||||||
| mm | kN | kN | r/min | kg | - | |||||
|
|
||||||||||
| 850 | 1360 | 500 | 20200 | 45000 | 2550 | 130 | 190 | 2665 | 241/850 ECAK30F/W33 | |
757/752D軸承 HH221432/HH221410軸承 NN3006TN/SP軸承 23160EW33軸承 GLE20-KRR-B軸承 BAM65軸承 B71903-E-2RSD-T-P4S軸承 HJ313E軸承 71928AC軸承 22213CD軸承 7336BDF軸承 1228軸承 K14x18x10軸承 47T785135A軸承 NUP2306E.TVP2軸承 RAY60軸承 23148CE4軸承 GE70-HO-2RS軸承 CFE24-1VR軸承 KML28軸承