
SKF 23244CCK/W33+OH2344H軸承是鼎力晟業(yè)長期代理的產品,鼎力晟業(yè)與SKF公司具有長期的23244CCK/W33+OH2344H軸承采購計劃,可以為國內用戶提供足夠數量的SKF 23244CCK/W33+OH2344H軸承,讓您的工廠無憂運轉。
型號:23244CCK/W33+OH2344H
品牌:SKF
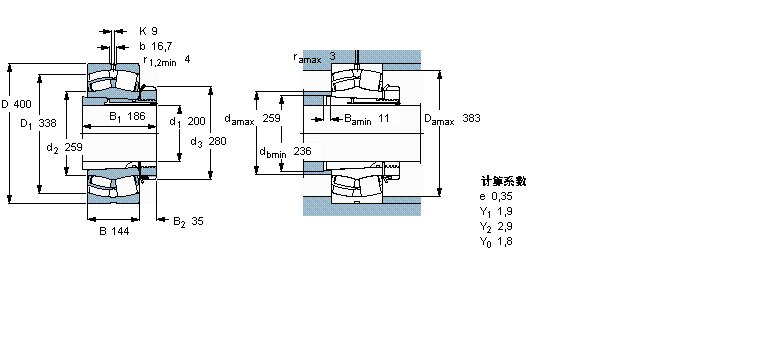
內徑:200
外徑:400
厚度:144
系列:球面滾子軸承, 帶緊定套的
【
手機版 23244CCK/W33+OH2344H軸承
點擊量
更新日期:2021/12/28
】
電話:020-36026999 傳真:020-36705678 服務熱線:18922176822 郵箱:sales@gzbearing.cn
| 球面滾子軸承, 帶緊定套的 | ||||||||||
| 公差 , 參見文字 | ||||||||||
| 徑向內部游隙 , 參見文字 | ||||||||||
| 推薦配合 | ||||||||||
| 軸和軸承座公差 | ||||||||||
|
|
||||||||||
| 主要數據尺寸 | 基本負荷額定值 | 疲勞負荷限值 | 額定速度 | 體積 | 型號 | |||||
| 動態(tài) | 靜態(tài) | 參照速度 | 限制速度 | 軸承 + 緊定套 | ||||||
| d1 | D | B | C | C0 | Pu | |||||
| * - SKF Explorer 軸承 | ||||||||||
|
|
||||||||||
| mm | kN | kN | r/min | kg | - | |||||
|
|
||||||||||
| 200 | 400 | 144 | 2360 | 3450 | 285 | 1100 | 1500 | 96,5 | 23244 CCK/W33 + OH 2344 H * | |
6006NR軸承 51217軸承 NU420軸承 3209B.2RSR.TVH軸承 22356CCK/W33+OH2356H軸承 32344軸承 NJ316-E-TVP2+HJ316E軸承 7014AC/DB軸承 6022ZZ軸承 GIKSL14-PS軸承 23276CAK/W33+OH3276H軸承 5205AZ軸承 ZKLF60145-2Z軸承 22338CC/W33軸承 51420軸承 7324AC/DT軸承 23032AXW33K軸承 NNU4924軸承 7204B.T軸承 NAST50軸承