
訂購SKF 230/800CA/W33軸承,請隨時與我們聯系,我們將根據匯率的波動為您提供實時準確的價格,確保以最優(yōu)惠的價格為您提供優(yōu)質的SKF 230/800CA/W33軸承。
型號:230/800CA/W33
品牌:SKF
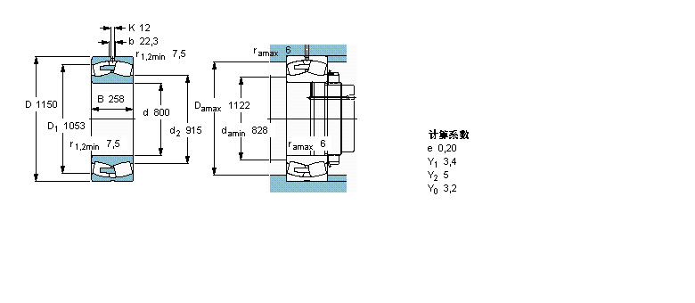
內徑:800
外徑:1150
厚度:258
系列:球面滾子軸承, 圓柱和圓錐孔, 圓柱型內孔, 無密封件
【
手機版 230/800CA/W33軸承
點擊量
更新日期:2021/12/28
】
電話:020-36026999 傳真:020-36705678 服務熱線:18922176822 郵箱:sales@gzbearing.cn
| 球面滾子軸承, 圓柱和圓錐孔, 圓柱型內孔, 無密封件 | ||||||||||
| 公差 , 參見文字 | ||||||||||
| 徑向內部間隙, 圓柱型內孔 , 圓錐型內孔, 無密封件 , 參見文字 | ||||||||||
| 推薦配合 | ||||||||||
| 軸和軸承座公差 | ||||||||||
|
|
||||||||||
| 主要數據尺寸 | 基本負荷額定值 | 疲勞負荷限值 | 額定速度 | 體積 | 型號 | |||||
| 動態(tài) | 靜態(tài) | 參照速度 | 限制速度 | |||||||
| d | D | B | C | C0 | Pu | * - SKF Explorer 軸承 | ||||
|
|
||||||||||
| mm | kN | kN | r/min | kg | - | |||||
|
|
||||||||||
| 800 | 1150 | 258 | 10000 | 20000 | 1160 | 280 | 480 | 895 | 230/800 CA/W33 * | |
TAF-435330軸承 SYNT35FTF軸承 N038軸承 23126HK軸承 634-Z軸承 D42軸承 UKP313;H2313X軸承 6307-RS軸承 GIR6-DO軸承 32207軸承 2207K+H307軸承 FBN-152118-E軸承 71908C/DF軸承 KHM88542.HM88510軸承 HH224346/HH224310CD軸承 CF-FU1-6軸承 54206+U206軸承 RCSMF12軸承 5313N軸承 SL185014軸承