
作為傳統(tǒng)的進口軸承代理商,鼎力晟業(yè)以廣州為基地,全方位展開與SKF公司的合作,為本地SKF 2303E-2RS1TN9/W64軸承提供強大的貨源支持,并迅速推廣到全國各地,經過多年的努力,2303E-2RS1TN9/W64軸承已成為我們的主導產品之一。
型號:2303E-2RS1TN9/W64
品牌:SKF
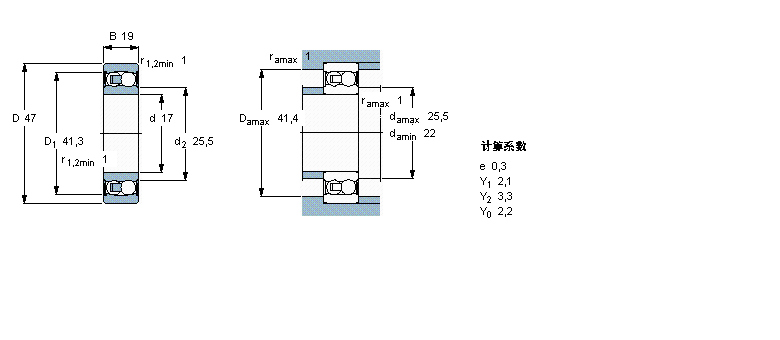
內徑:17
外徑:47
厚度:19
系列:自調心球軸承, 含Solid Oil, 兩面密封件
【
手機版 2303E-2RS1TN9/W64軸承
點擊量
更新日期:2021/12/28
】
電話:020-36026999 傳真:020-36705678 服務熱線:18922176822 郵箱:sales@gzbearing.cn
| 自調心球軸承, 含Solid Oil, 兩面密封件 | |||||||||
| 公差 , 參見文字 | |||||||||
| 徑向內部游隙 , 參見文字 | |||||||||
| 推薦配合 | |||||||||
| 軸和軸承座公差 | |||||||||
|
|
|||||||||
| 主要數據尺寸 | 基本負荷額定值 | 疲勞負荷限值 | 限制速度 | 體積 | 型號 | ||||
| 動態(tài) | 靜態(tài) | ||||||||
| d | D | B | C | C0 | Pu | ||||
|
|
|||||||||
| mm | kN | kN | r/min | kg | - | ||||
|
|
|||||||||
| 17 | 47 | 19 | 12,7 | 3,4 | 0,18 | 1300 | 0,16 | 2303 E-2RS1TN9/W64 | |
B7036E軸承 61813-2RS1軸承 23252CCK/W33+OH2352H軸承 HM89446A軸承 CFE12VR軸承 NU232E軸承 6301-RZ軸承 F601XZZS軸承 71906C/DF軸承 24156CAK30E4軸承 H3924軸承 6900N軸承 51256X軸承 6011-2RS軸承 29675/29624軸承 NJ206+HJ207軸承 LASE30-N軸承 NP313軸承 K22x32x24軸承 LRBZ404828軸承