
作為傳統(tǒng)的進口軸承代理商,鼎力晟業(yè)以廣州為基地,全方位展開與SKF公司的合作,為本地SKF SYNT90FTF軸承提供強大的貨源支持,并迅速推廣到全國各地,經(jīng)過多年的努力,SYNT90FTF軸承已成為我們的主導產品之一。
型號:SYNT90FTF
品牌:SKF
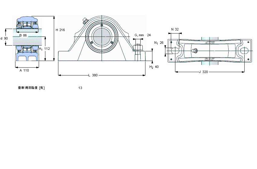
系列:滾子軸承立式軸承座單元, SKF ConCentra, locating units, radial shaft seals
【
手機版 SYNT90FTF軸承
點擊量
更新日期:2021/12/28
】
電話:020-36026999 傳真:020-36705678 服務熱線:18922176822 郵箱:sales@gzbearing.cn
| 滾子軸承立式軸承座單元, SKF ConCentra, locating units, radial shaft seals | ||||||||||||
|
|
||||||||||||
| 尺寸 | 尺寸 [英寸] | 疲勞負荷限值 | 限制速度 | 體積 | 型號 | 軸承,基本型號 | ||||||
| 動態(tài) | 靜態(tài) | |||||||||||
| da | A | H | H1 | L | C | C0 | Pu | |||||
|
|
||||||||||||
| mm | kN | kN | r/min | kg | - | - | ||||||
|
|
||||||||||||
| 90 | 110 | 216 | 112 | 380 | 325 | 375 | 39 | 1050 | 21 | SYNT 90 FTF | 22218 E | |
1217K+H217X軸承 EWP311軸承 20205-K-TVP-C3+H205軸承 RNAST40軸承 53201軸承 22236RHAW33軸承 6200-Z軸承 N207軸承 6213LB軸承 FBNP-6910軸承 32014X軸承 53230U軸承 W609-2Z軸承 61804-RS軸承 61818-2Z軸承 GEH45TXG3E-2LS軸承 EGB1012-E40軸承 B7216E.T軸承 1212-K-TVH-C3+H212軸承 K81208-TV軸承