
SKF進口軸承代理鼎力晟業(yè)為用戶提供高品質的OH31/560H軸承,無論是工業(yè)配套還是維修市場,用戶都可以在這里找到貨期最短的SKF OH31/560H軸承,確保您的不間斷生產。
型號:OH31/560H
品牌:SKF
系列:緊定套
【
手機版 OH31/560H軸承
點擊量
更新日期:2021/12/28
】
電話:020-36026999 傳真:020-36705678 服務熱線:18922176822 郵箱:sales@gzbearing.cn
| 緊定套 | ||||||||||
|
|
||||||||||
| 尺寸 | 體積 | 型號 | ||||||||
| 緊定軸套帶螺母 | 鎖定螺母 | 鎖定裝置 | 適宜的液壓 | |||||||
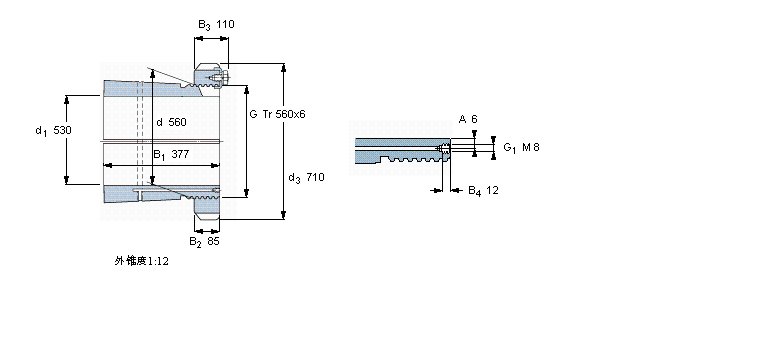
| d1 | d | d3 | B1 | G | 和鎖緊裝置 | 螺母 | ||||
|
|
||||||||||
| mm | kg | - | ||||||||
|
|
||||||||||
| 530 | 560 | 710 | 377 | Tr 560x6 | 185 | OH 31/560 H | HM 31/560 | MS 31/600-560 | HMV 112 E | |
NU303軸承 61910-2Z軸承 23136-E1A-K-M+AH3136A軸承 52400/52637DC軸承 NJ2332ECM軸承 CR14VBUUR軸承 CF-RU1-30軸承 6217-2Z/VA208軸承 HK3024-2RS軸承 24068CCK30/W33軸承 TAF354530/SG軸承 NKI38/20軸承 B71910C軸承 HM801310軸承 NUP310軸承 FSNL528軸承 330641BG/HE1軸承 28580/28520軸承 EGB1215-E50軸承 TAF1-324720軸承