
鼎力晟業(yè)是SKF進口軸承代理,銷售SKF NUP2308ECM軸承,不僅具備價格優(yōu)勢,而且在供貨及時性、供貨能力方面具有比較優(yōu)勢,能在最短的時間內為用戶提供原裝進口的SKF NUP2308ECM軸承。
型號:NUP2308ECM
品牌:SKF
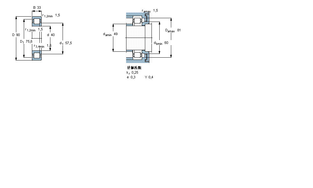
內徑:40
外徑:90
厚度:33
系列:圓柱滾子軸承, 單列, NUP 設計
【
手機版 NUP2308ECM軸承
點擊量
更新日期:2021/12/28
】
電話:020-36026999 傳真:020-36705678 服務熱線:18922176822 郵箱:sales@gzbearing.cn
| 圓柱滾子軸承, 單列, NUP 設計 | ||||||||||||
| 公差 , 參見文字 | ||||||||||||
| 徑向內部間隙, 圓柱型內孔 , 圓錐型內孔, 無密封件 , 參見文字 | ||||||||||||
| 推薦配合 | ||||||||||||
| 軸和軸承座公差 | ||||||||||||
|
|
||||||||||||
| 主要數據尺寸 | 基本負荷額定值 | 疲勞負荷限值 | 額定速度 | 體積 | 型號 | 適宜的斜擋圈 | ||||||
| 動態(tài) | 靜態(tài) | 參照速度 | 限制速度 | 型號 | ||||||||
| d | D | B | C | C0 | Pu | * - SKF Explorer 軸承 | ||||||
|
|
||||||||||||
| mm | kN | kN | r/min | kg | - | - | ||||||
|
|
||||||||||||
| 40 | 90 | 33 | 129 | 120 | 15,3 | 8000 | 9500 | 0,98 | NUP 2308 ECM * | - | ||
LM102910軸承 6805-2NKE軸承 NK29/20軸承 6214N軸承 NN3048軸承 N212ECP軸承 23936AXW33K軸承 BT2B328523/HA1軸承 QJ222軸承 7209CD/DT軸承 SC71908FB/P7軸承 7226CDB軸承 21322CC軸承 7013AC/DT軸承 RNA4844軸承 NJ2306EC+HJ2306EC軸承 6313-ZNR軸承 29292-E-MB軸承 2913軸承 71904CD/DT軸承