
鼎力晟業(yè)是SKF進口軸承代理商,不僅為工業(yè)配套用戶提供SKF NUP205ECP軸承,在維修市場也提供足夠的支持,是SKF軸承在國內的優(yōu)質經銷商之一,購買SKF NUP205ECP軸承,鼎力晟業(yè)是您放心的選擇。
型號:NUP205ECP
品牌:SKF
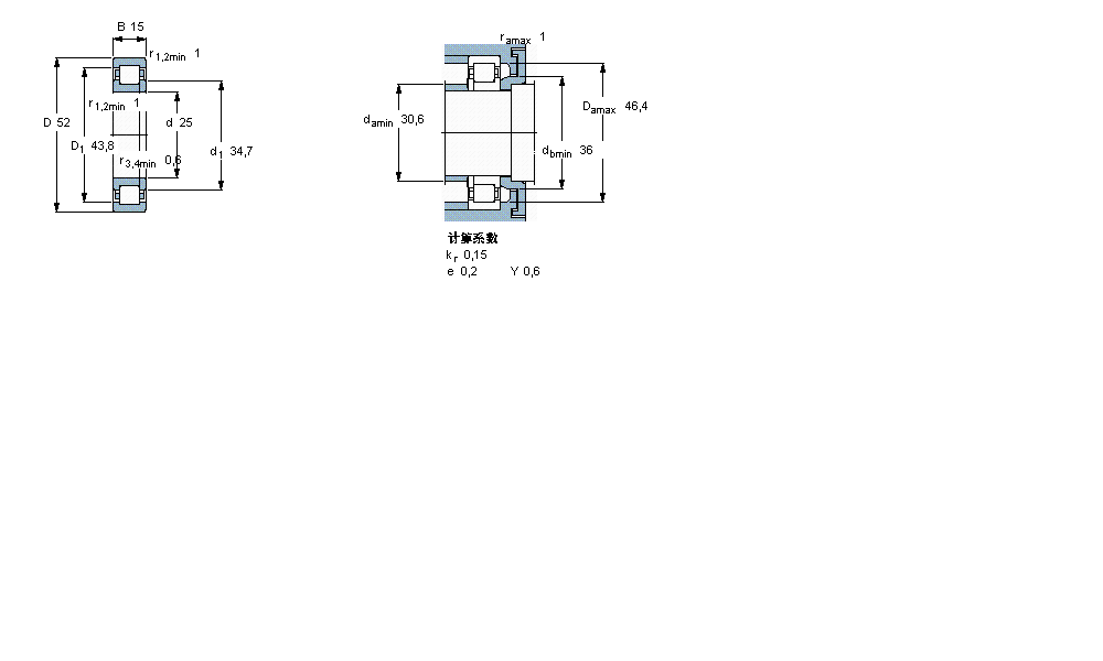
內徑:25
外徑:52
厚度:15
系列:圓柱滾子軸承, 單列, NUP 設計
【
手機版 NUP205ECP軸承
點擊量
更新日期:2021/12/28
】
電話:020-36026999 傳真:020-36705678 服務熱線:18922176822 郵箱:sales@gzbearing.cn
| 圓柱滾子軸承, 單列, NUP 設計 | ||||||||||||
| 公差 , 參見文字 | ||||||||||||
| 徑向內部間隙, 圓柱型內孔 , 圓錐型內孔, 無密封件 , 參見文字 | ||||||||||||
| 推薦配合 | ||||||||||||
| 軸和軸承座公差 | ||||||||||||
|
|
||||||||||||
| 主要數據尺寸 | 基本負荷額定值 | 疲勞負荷限值 | 額定速度 | 體積 | 型號 | 適宜的斜擋圈 | ||||||
| 動態(tài) | 靜態(tài) | 參照速度 | 限制速度 | 型號 | ||||||||
| d | D | B | C | C0 | Pu | |||||||
|
|
||||||||||||
| mm | kN | kN | r/min | kg | - | - | ||||||
|
|
||||||||||||
| 25 | 52 | 15 | 28,6 | 27 | 3,35 | 14000 | 16000 | 0,14 | NUP 205 ECP | - | ||
7312AC/DB軸承 AOH240/750G軸承 NP207軸承 23148CC/W33軸承 1311K軸承 7240BDB軸承 NU2211E軸承 22308RHR軸承 PDPF2222軸承 7220CDB軸承 HR85KBE043+L軸承 K7X9X7-TV軸承 2×7303BEGAP軸承 241/710CAK30E4軸承 KT485320軸承 C30/530KM+AOH30/530軸承 71914CD/DT軸承 BC2-8012/HB1VJ202軸承 W3/8軸承 NJ2220ET軸承