
訂購SKF NU313ECML軸承,請隨時與我們聯(lián)系,我們將根據匯率的波動為您提供實時準確的價格,確保以最優(yōu)惠的價格為您提供優(yōu)質的SKF NU313ECML軸承。
型號:NU313ECML
品牌:SKF
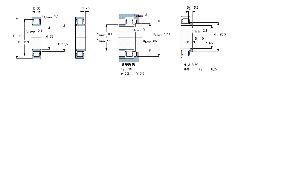
內徑:65
外徑:140
厚度:33
系列:圓柱滾子軸承, 單列, NU 設計
【
手機版 NU313ECML軸承
點擊量
更新日期:2021/12/28
】
電話:020-36026999 傳真:020-36705678 服務熱線:18922176822 郵箱:sales@gzbearing.cn
| 圓柱滾子軸承, 單列, NU 設計 | ||||||||||||
| 公差 , 參見文字 | ||||||||||||
| 徑向內部間隙, 圓柱型內孔 , 圓錐型內孔, 無密封件 , 參見文字 | ||||||||||||
| 推薦配合 | ||||||||||||
| 軸和軸承座公差 | ||||||||||||
|
|
||||||||||||
| 主要數據尺寸 | 基本負荷額定值 | 疲勞負荷限值 | 額定速度 | 體積 | 型號 | 適宜的斜擋圈 | ||||||
| 動態(tài) | 靜態(tài) | 參照速度 | 限制速度 | 型號 | ||||||||
| d | D | B | C | C0 | Pu | * - SKF Explorer 軸承 | ||||||
|
|
||||||||||||
| mm | kN | kN | r/min | kg | - | - | ||||||
|
|
||||||||||||
| 65 | 140 | 33 | 212 | 196 | 25,5 | 5300 | 9500 | 2,43 | NU 313 ECML * | HJ 313 EC | ||
NU2324-E-M1軸承 HJ2252軸承 E40-KRR軸承 NKX50Z軸承 THE35軸承 YT2620軸承 46790D/46720軸承 RASE25-FA164軸承 22211EAE4軸承 23132-E1A-K-M+AH3132A軸承 100FC72400軸承 7924A5DF軸承 RNA49/9軸承 B7207-C-2RSD-T-P4S軸承 683A軸承 NJ306軸承 4T-14139/14276軸承 23168RK+AH3168軸承 6901DD軸承 39236軸承