
我們不僅提供SKF NU2317ECJ軸承,還提供SKF品牌的其他品牌產品,以及SKF NU2317ECJ軸承的替換型號,萬千種型號,任您選擇。
型號:NU2317ECJ
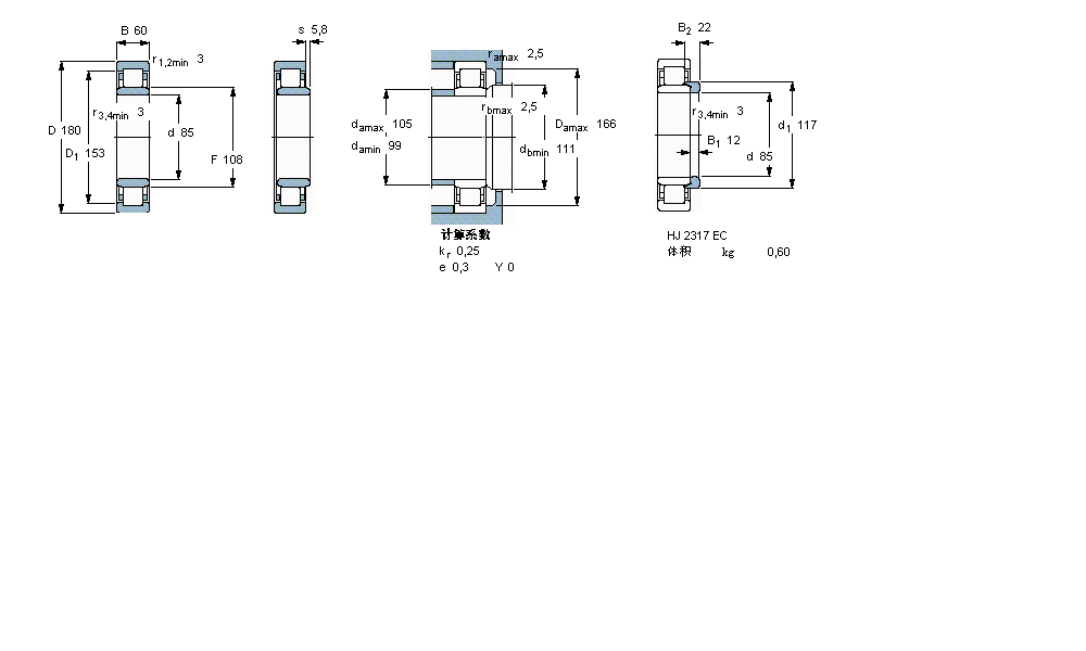
品牌:SKF
內徑:85
外徑:180
厚度:60
系列:圓柱滾子軸承, 單列, NU 設計
【
手機版 NU2317ECJ軸承
點擊量
更新日期:2021/12/28
】
電話:020-36026999 傳真:020-36705678 服務熱線:18922176822 郵箱:sales@gzbearing.cn
| 圓柱滾子軸承, 單列, NU 設計 | ||||||||||||
| 公差 , 參見文字 | ||||||||||||
| 徑向內部間隙, 圓柱型內孔 , 圓錐型內孔, 無密封件 , 參見文字 | ||||||||||||
| 推薦配合 | ||||||||||||
| 軸和軸承座公差 | ||||||||||||
|
|
||||||||||||
| 主要數據尺寸 | 基本負荷額定值 | 疲勞負荷限值 | 額定速度 | 體積 | 型號 | 適宜的斜擋圈 | ||||||
| 動態(tài) | 靜態(tài) | 參照速度 | 限制速度 | 型號 | ||||||||
| d | D | B | C | C0 | Pu | * - SKF Explorer 軸承 | ||||||
|
|
||||||||||||
| mm | kN | kN | r/min | kg | - | - | ||||||
|
|
||||||||||||
| 85 | 180 | 60 | 455 | 490 | 60 | 4000 | 4800 | 6,85 | NU 2317 ECJ * | HJ 2317 EC | ||
51416-MP軸承 GBR263520U軸承 4457軸承 6215-2RS軸承 6203RSR軸承 4T-757/752軸承 RCJTY1-3/8軸承 MBL32軸承 3915軸承 7222B軸承 4126軸承 5315軸承 7040C/DT軸承 TAFI405530軸承 D24軸承 20206-K-TVP-C3+H206軸承 C2212KV軸承 NNU4922B/W33軸承 239/710CAK/W33軸承 22205HK軸承