
SKF NU2314ECML軸承工業(yè)配套用戶請注意:批量采購SKF NU2314ECML軸承,請至少提前一周與我們聯系,長期批量采購請?zhí)峁┠甓炔少徲媱潱覀儗⑹指兄x您的預見性,我們將提供極為優(yōu)惠的價格以保障您的權益。
型號:NU2314ECML
品牌:SKF
內徑:70
外徑:150
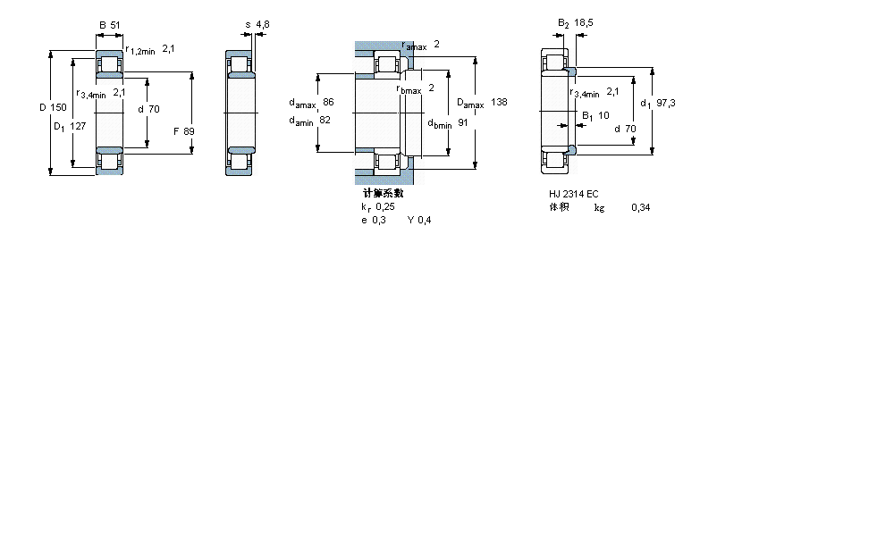
厚度:51
系列:圓柱滾子軸承, 單列, NU 設計
【
手機版 NU2314ECML軸承
點擊量
更新日期:2021/12/28
】
電話:020-36026999 傳真:020-36705678 服務熱線:18922176822 郵箱:sales@gzbearing.cn
| 圓柱滾子軸承, 單列, NU 設計 | ||||||||||||
| 公差 , 參見文字 | ||||||||||||
| 徑向內部間隙, 圓柱型內孔 , 圓錐型內孔, 無密封件 , 參見文字 | ||||||||||||
| 推薦配合 | ||||||||||||
| 軸和軸承座公差 | ||||||||||||
|
|
||||||||||||
| 主要數據尺寸 | 基本負荷額定值 | 疲勞負荷限值 | 額定速度 | 體積 | 型號 | 適宜的斜擋圈 | ||||||
| 動態(tài) | 靜態(tài) | 參照速度 | 限制速度 | 型號 | ||||||||
| d | D | B | C | C0 | Pu | * - SKF Explorer 軸承 | ||||||
|
|
||||||||||||
| mm | kN | kN | r/min | kg | - | - | ||||||
|
|
||||||||||||
| 70 | 150 | 51 | 315 | 325 | 41,5 | 4800 | 8500 | 4,35 | NU 2314 ECML * | HJ 2314 EC | ||
XAA32009X/Y32009X軸承 6013-RS軸承 22352-K-MB軸承 NU340軸承 7415BGBM軸承 BK1622軸承 7014ADB軸承 7003軸承 7236AC軸承 7093/07210X軸承 81122TN軸承 K-T921軸承 B71934-C-T-P4S軸承 B7010C.O軸承 7230CD/DB軸承 NUP2330E軸承 HJ2212E軸承 IR20x24x16軸承 7212C/DT軸承 6040-M軸承