
SKF NU222ECP軸承工業(yè)配套用戶請注意:批量采購SKF NU222ECP軸承,請至少提前一周與我們聯(lián)系,長期批量采購請?zhí)峁┠甓炔少徲媱潱覀儗⑹指兄x您的預見性,我們將提供極為優(yōu)惠的價格以保障您的權益。
型號:NU222ECP
品牌:SKF
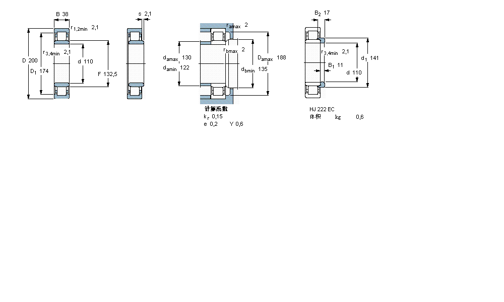
內徑:110
外徑:200
厚度:38
系列:圓柱滾子軸承, 單列, NU 設計
【
手機版 NU222ECP軸承
點擊量
更新日期:2021/12/28
】
電話:020-36026999 傳真:020-36705678 服務熱線:18922176822 郵箱:sales@gzbearing.cn
| 圓柱滾子軸承, 單列, NU 設計 | ||||||||||||
| 公差 , 參見文字 | ||||||||||||
| 徑向內部間隙, 圓柱型內孔 , 圓錐型內孔, 無密封件 , 參見文字 | ||||||||||||
| 推薦配合 | ||||||||||||
| 軸和軸承座公差 | ||||||||||||
|
|
||||||||||||
| 主要數據尺寸 | 基本負荷額定值 | 疲勞負荷限值 | 額定速度 | 體積 | 型號 | 適宜的斜擋圈 | ||||||
| 動態(tài) | 靜態(tài) | 參照速度 | 限制速度 | 型號 | ||||||||
| d | D | B | C | C0 | Pu | * - SKF Explorer 軸承 | ||||||
|
|
||||||||||||
| mm | kN | kN | r/min | kg | - | - | ||||||
|
|
||||||||||||
| 110 | 200 | 38 | 335 | 365 | 42,5 | 3600 | 4000 | 4,80 | NU 222 ECP * | HJ 222 EC | ||
SL192318軸承 4CR760軸承 NJ2207軸承 312966E軸承 30238軸承 NA4911軸承 7011AC/DB軸承 TAFI608235軸承 HCB71922-E-2RSD-T-P4S軸承 30352軸承 32215/32215軸承 46T32315JR/99軸承 29292-E-MB軸承 2×7409BCBM軸承 NF336軸承 22252CCK/W33軸承 SDAF23248軸承 K7×10×10軸承 1212K軸承 PCJTY1軸承