
作為傳統(tǒng)的進口軸承代理商,鼎力晟業(yè)以廣州為基地,全方位展開與SKF公司的合作,為本地SKF NU2215ECML軸承提供強大的貨源支持,并迅速推廣到全國各地,經過多年的努力,NU2215ECML軸承已成為我們的主導產品之一。
型號:NU2215ECML
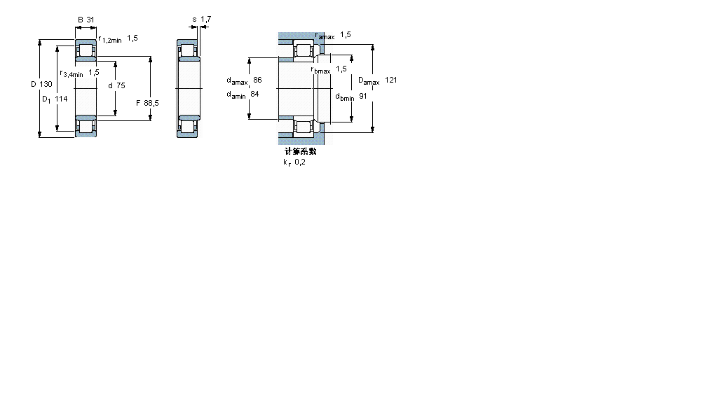
品牌:SKF
內徑:75
外徑:130
厚度:31
系列:圓柱滾子軸承, 單列, NU 設計
【
手機版 NU2215ECML軸承
點擊量
更新日期:2021/12/28
】
電話:020-36026999 傳真:020-36705678 服務熱線:18922176822 郵箱:sales@gzbearing.cn
| 圓柱滾子軸承, 單列, NU 設計 | ||||||||||||
| 公差 , 參見文字 | ||||||||||||
| 徑向內部間隙, 圓柱型內孔 , 圓錐型內孔, 無密封件 , 參見文字 | ||||||||||||
| 推薦配合 | ||||||||||||
| 軸和軸承座公差 | ||||||||||||
|
|
||||||||||||
| 主要數據尺寸 | 基本負荷額定值 | 疲勞負荷限值 | 額定速度 | 體積 | 型號 | 適宜的斜擋圈 | ||||||
| 動態(tài) | 靜態(tài) | 參照速度 | 限制速度 | 型號 | ||||||||
| d | D | B | C | C0 | Pu | * - SKF Explorer 軸承 | ||||||
|
|
||||||||||||
| mm | kN | kN | r/min | kg | - | - | ||||||
|
|
||||||||||||
| 75 | 130 | 31 | 186 | 208 | 27 | 5600 | 9500 | 1,60 | NU 2215 ECML * | - | ||
HCB71928-E-T-P4S軸承 NCF2972CV軸承 LR30X35X20.5軸承 71904CD軸承 6004軸承 81132MPB軸承 NCF29/500V軸承 2×7308BECBM軸承 SNL509軸承 7201ACD軸承 7206AC/DB軸承 6212-2NSE軸承 GE200TXA-2LS軸承 69/850軸承 46230A軸承 7213C軸承 F-803004.PRL軸承 3220A-2RS軸承 2796R/20軸承 HK1516.2RS軸承