
SKF進口軸承代理鼎力晟業(yè)為用戶提供高品質的NU213ECML軸承,無論是工業(yè)配套還是維修市場,用戶都可以在這里找到貨期最短的SKF NU213ECML軸承,確保您的不間斷生產。
型號:NU213ECML
品牌:SKF
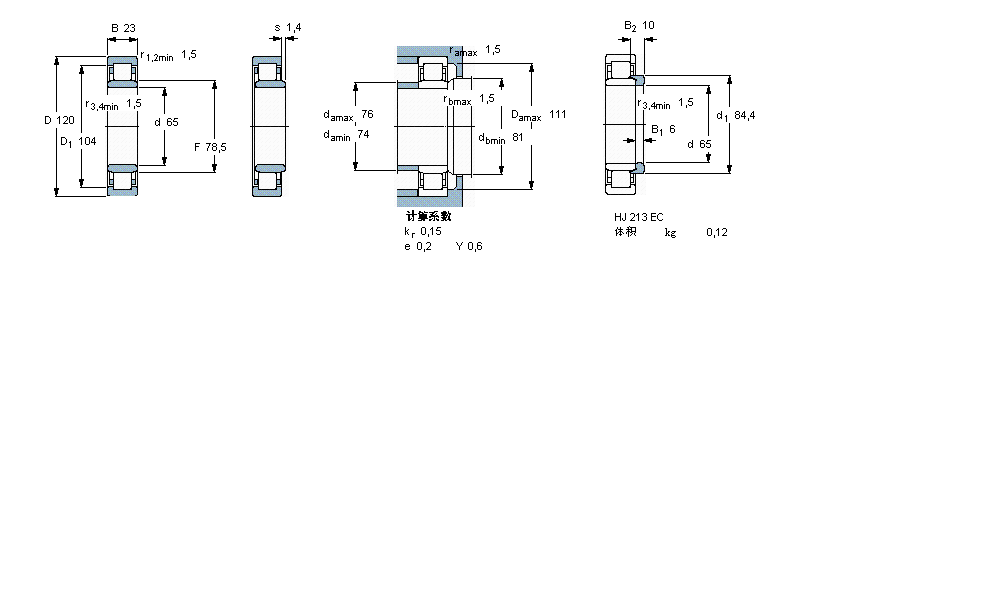
內徑:65
外徑:120
厚度:23
系列:圓柱滾子軸承, 單列, NU 設計
【
手機版 NU213ECML軸承
點擊量
更新日期:2021/12/28
】
電話:020-36026999 傳真:020-36705678 服務熱線:18922176822 郵箱:sales@gzbearing.cn
| 圓柱滾子軸承, 單列, NU 設計 | ||||||||||||
| 公差 , 參見文字 | ||||||||||||
| 徑向內部間隙, 圓柱型內孔 , 圓錐型內孔, 無密封件 , 參見文字 | ||||||||||||
| 推薦配合 | ||||||||||||
| 軸和軸承座公差 | ||||||||||||
|
|
||||||||||||
| 主要數據尺寸 | 基本負荷額定值 | 疲勞負荷限值 | 額定速度 | 體積 | 型號 | 適宜的斜擋圈 | ||||||
| 動態(tài) | 靜態(tài) | 參照速度 | 限制速度 | 型號 | ||||||||
| d | D | B | C | C0 | Pu | * - SKF Explorer 軸承 | ||||||
|
|
||||||||||||
| mm | kN | kN | r/min | kg | - | - | ||||||
|
|
||||||||||||
| 65 | 120 | 23 | 122 | 118 | 15,6 | 6300 | 10000 | 1,16 | NU 213 ECML * | HJ 213 EC | ||
7209CDT軸承 CRB25/70軸承 3909軸承 HC7006-E-T-P4S軸承 23088-K-MB軸承 1219K+H219軸承 6918DDU軸承 6316-RZ軸承 NJ238+HJ238軸承 7010CDT軸承 22324-E1-K軸承 NUP238-E-M1軸承 N320M軸承 NF212M軸承 5206ZZ軸承 TAF162420/SG軸承 7207C軸承 NU338-E-M1軸承 7011AC/DT軸承 48FC33220軸承