
SKF進口軸承代理鼎力晟業(yè)為用戶提供高品質的NJ2320ECM軸承,無論是工業(yè)配套還是維修市場,用戶都可以在這里找到貨期最短的SKF NJ2320ECM軸承,確保您的不間斷生產。
型號:NJ2320ECM
品牌:SKF
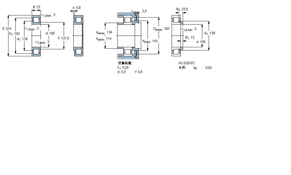
內徑:100
外徑:215
厚度:73
系列:圓柱滾子軸承, 單列, NJ 設計
【
手機版 NJ2320ECM軸承
點擊量
更新日期:2021/12/28
】
電話:020-36026999 傳真:020-36705678 服務熱線:18922176822 郵箱:sales@gzbearing.cn
| 圓柱滾子軸承, 單列, NJ 設計 | ||||||||||||
| 公差 , 參見文字 | ||||||||||||
| 徑向內部間隙, 圓柱型內孔 , 圓錐型內孔, 無密封件 , 參見文字 | ||||||||||||
| 推薦配合 | ||||||||||||
| 軸和軸承座公差 | ||||||||||||
|
|
||||||||||||
| 主要數據尺寸 | 基本負荷額定值 | 疲勞負荷限值 | 額定速度 | 體積 | 型號 | 適宜的斜擋圈 | ||||||
| 動態(tài) | 靜態(tài) | 參照速度 | 限制速度 | 型號 | ||||||||
| d | D | B | C | C0 | Pu | * - SKF Explorer 軸承 | ||||||
|
|
||||||||||||
| mm | kN | kN | r/min | kg | - | - | ||||||
|
|
||||||||||||
| 100 | 215 | 73 | 670 | 735 | 85 | 3200 | 3800 | 13,2 | NJ 2320 ECM * | HJ 2320 EC | ||
30322U軸承 HM801346X/2/310/QVQ523軸承 61832軸承 24168RRK30+AH24168軸承 GE25-KRR-B-2C軸承 7324CDF軸承 7603020-2RS-TVP軸承 AH2340軸承 EGBZ1610-E40軸承 618/500M軸承 BT4B328282/HA1軸承 29288E.MB軸承 HCB71916-C-T-P4S軸承 UKT316;H2316X軸承 7001DF軸承 NU1018軸承 32019X/Q軸承 UKT312;H2312X軸承 NU205E軸承 EGB1520-E40軸承