
SKF NJ2319ECJ軸承工業(yè)配套用戶請注意:批量采購SKF NJ2319ECJ軸承,請至少提前一周與我們聯系,長期批量采購請?zhí)峁┠甓炔少徲媱,我們將十分感謝您的預見性,我們將提供極為優(yōu)惠的價格以保障您的權益。
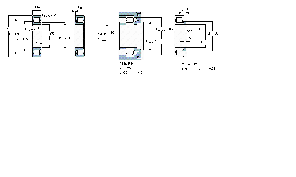
型號:NJ2319ECJ
品牌:SKF
內徑:95
外徑:200
厚度:67
系列:圓柱滾子軸承, 單列, NJ 設計
【
手機版 NJ2319ECJ軸承
點擊量
更新日期:2021/12/28
】
電話:020-36026999 傳真:020-36705678 服務熱線:18922176822 郵箱:sales@gzbearing.cn
| 圓柱滾子軸承, 單列, NJ 設計 | ||||||||||||
| 公差 , 參見文字 | ||||||||||||
| 徑向內部間隙, 圓柱型內孔 , 圓錐型內孔, 無密封件 , 參見文字 | ||||||||||||
| 推薦配合 | ||||||||||||
| 軸和軸承座公差 | ||||||||||||
|
|
||||||||||||
| 主要數據尺寸 | 基本負荷額定值 | 疲勞負荷限值 | 額定速度 | 體積 | 型號 | 適宜的斜擋圈 | ||||||
| 動態(tài) | 靜態(tài) | 參照速度 | 限制速度 | 型號 | ||||||||
| d | D | B | C | C0 | Pu | * - SKF Explorer 軸承 | ||||||
|
|
||||||||||||
| mm | kN | kN | r/min | kg | - | - | ||||||
|
|
||||||||||||
| 95 | 200 | 67 | 530 | 585 | 69,5 | 3600 | 4300 | 10,7 | NJ 2319 ECJ * | HJ 2319 EC | ||
E-CRO-13202軸承 TRI304830軸承 FG56212軸承 48680D/48620軸承 NU414軸承 7234CD/DT軸承 61921-2RZ軸承 SY17TF軸承 7309BDT軸承 45290/45220-B軸承 691X軸承 RT616軸承 RP384436A軸承 23220CCK/W33+H2320軸承 294/670E軸承 EWP211軸承 53230-MP+U230軸承 KR32-PP軸承 562024軸承 PAKY40軸承