
購買SKF NJ211ECM軸承,及NJ211ECM軸承同系列產品,或者SKF公司其他產品,請聯系SKF進口軸承代理-鼎力晟業(yè),我們提供準時高效的服務。
型號:NJ211ECM
品牌:SKF
內徑:55
外徑:100
厚度:21
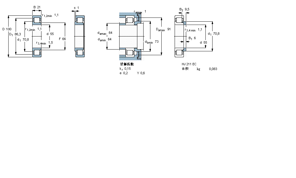
系列:圓柱滾子軸承, 單列, NJ 設計
【
手機版 NJ211ECM軸承
點擊量
更新日期:2021/12/28
】
電話:020-36026999 傳真:020-36705678 服務熱線:18922176822 郵箱:sales@gzbearing.cn
| 圓柱滾子軸承, 單列, NJ 設計 | ||||||||||||
| 公差 , 參見文字 | ||||||||||||
| 徑向內部間隙, 圓柱型內孔 , 圓錐型內孔, 無密封件 , 參見文字 | ||||||||||||
| 推薦配合 | ||||||||||||
| 軸和軸承座公差 | ||||||||||||
|
|
||||||||||||
| 主要數據尺寸 | 基本負荷額定值 | 疲勞負荷限值 | 額定速度 | 體積 | 型號 | 適宜的斜擋圈 | ||||||
| 動態(tài) | 靜態(tài) | 參照速度 | 限制速度 | 型號 | ||||||||
| d | D | B | C | C0 | Pu | * - SKF Explorer 軸承 | ||||||
|
|
||||||||||||
| mm | kN | kN | r/min | kg | - | - | ||||||
|
|
||||||||||||
| 55 | 100 | 21 | 96,5 | 95 | 12,2 | 7500 | 8000 | 0,73 | NJ 211 ECM * | HJ 211 EC | ||