
作為傳統(tǒng)的進口軸承代理商,鼎力晟業(yè)以廣州為基地,全方位展開與SKF公司的合作,為本地SKF 22340CC/W33軸承提供強大的貨源支持,并迅速推廣到全國各地,經過多年的努力,22340CC/W33軸承已成為我們的主導產品之一。
型號:22340CC/W33
品牌:SKF
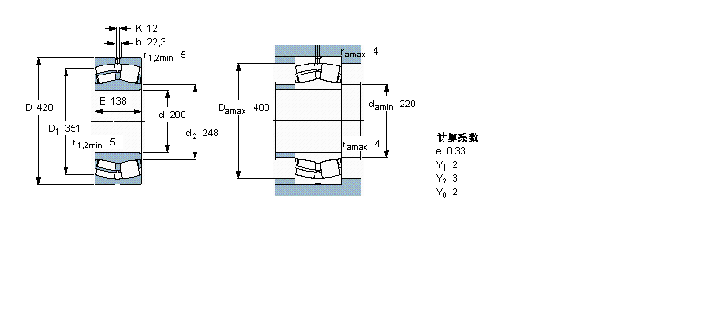
內徑:200
外徑:420
厚度:138
系列:球面滾子軸承, 圓柱和圓錐孔, 圓柱型內孔, 無密封件
【
手機版 22340CC/W33軸承
點擊量
更新日期:2021/12/28
】
電話:020-36026999 傳真:020-36705678 服務熱線:18922176822 郵箱:sales@gzbearing.cn
| 球面滾子軸承, 圓柱和圓錐孔, 圓柱型內孔, 無密封件 | ||||||||||
| 公差 , 參見文字 | ||||||||||
| 徑向內部間隙, 圓柱型內孔 , 圓錐型內孔, 無密封件 , 參見文字 | ||||||||||
| 推薦配合 | ||||||||||
| 軸和軸承座公差 | ||||||||||
|
|
||||||||||
| 主要數據尺寸 | 基本負荷額定值 | 疲勞負荷限值 | 額定速度 | 體積 | 型號 | |||||
| 動態(tài) | 靜態(tài) | 參照速度 | 限制速度 | |||||||
| d | D | B | C | C0 | Pu | * - SKF Explorer 軸承 | ||||
|
|
||||||||||
| mm | kN | kN | r/min | kg | - | |||||
|
|
||||||||||
| 200 | 420 | 138 | 2320 | 2900 | 224 | 1200 | 1500 | 95,0 | 22340 CC/W33 * | |
NUP230軸承 IRT1012-1軸承 RNA4944軸承 7308BECCY軸承 NJ2215-E-TVP2+HJ2215E軸承 23130-E1-TVPB軸承 NJ317E.TVP2軸承 170KBD030軸承 NU1012軸承 71912ACD/HCP4A軸承 AH308軸承 6001-2Z軸承 863X/854DC軸承 52212軸承 GIL6-UK軸承 6820軸承 7314C/DT軸承 6006/HR11QN軸承 NUP406ECM軸承 1207K+H207軸承