
磐固晟是NTN進口軸承經銷 ,銷售NTN 5S-HSB103C軸承,不僅具備價格優(yōu)勢,而且在供貨及時性、供貨能力方面具有比較優(yōu)勢,能在最短的時間內為用戶提供原裝進口的NTN 5S-HSB103C軸承。
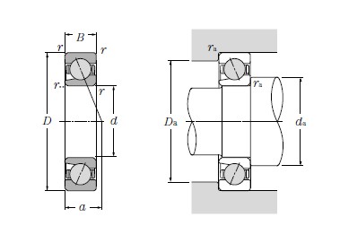
型號:5S-HSB103C
品牌:NTN
內徑:65
外徑:100
厚度:18
系列:主軸用精密角接觸球軸承
【
手機版 5S-HSB103C軸承
點擊量
更新日期:2017/8/3
】
電話:020-36026999 傳真:020-36705678 服務熱線:18922176822 郵箱:sales@gzbearing.cn

6814軸承 89428M軸承 6040M軸承 6300-2RSH軸承 6001軸承 NNF5012ADB-2LSV軸承 475/472A軸承 29248-E1-MB軸承 SL183014軸承 64432/64708軸承 N1008KTNHA/SP軸承 24092CAC/W33軸承 B7009-E-T-P4S軸承 32221J2軸承 RNA6908R軸承 54413軸承 6006-RZ軸承 31320-X軸承 23228CC/W33軸承 23960-B-K-MB+H3960軸承