

SKF PDNB318軸承工業(yè)配套用戶請注意:批量采購SKF PDNB318軸承,請至少提前一周與我們聯(lián)系,長期批量采購請?zhí)峁┠甓炔少徲媱,我們將十分感謝您的預見性,我們將提供極為優(yōu)惠的價格以保障您的權益。
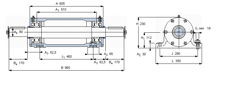
型號:PDNB318
品牌:SKF
內徑:80
外徑:965
厚度:230
系列:雙軸承單元, PDNB單元
【更新日期:2016/8/3 電腦版 PDNB318軸承】
| 雙軸承單元, PDNB單元 | ||||||||||
|
|
||||||||||
| 尺寸 | 整體軸承 | 質量 | 型號 | |||||||
| Key402 | 定位軸承 | 軸承單元 | ||||||||
| db | B | H | H1 | L | ||||||
|
|
||||||||||
| mm | - | kg | - | |||||||
|
|
||||||||||
| 80 | 965 | 230 | 112 | 350 | 6318 | 6318 | - | 135 | PDNB 318 | |