

購買SKF PDNB309軸承,及PDNB309軸承同系列產品,或者SKF公司其他產品,請聯系SKF進口軸承經銷 -磐固晟,我們提供準時高效的服務。
型號:PDNB309
品牌:SKF
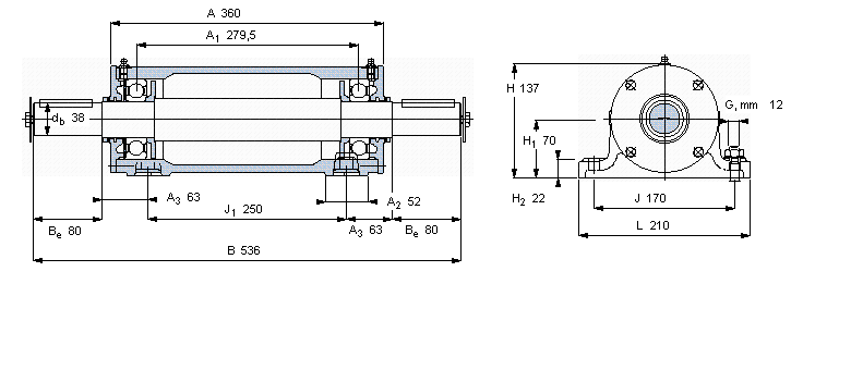
內徑:38
外徑:536
厚度:137
系列:雙軸承單元, PDNB單元
【更新日期:2016/8/3 電腦版 PDNB309軸承】
| 雙軸承單元, PDNB單元 | ||||||||||
|
|
||||||||||
| 尺寸 | 整體軸承 | 質量 | 型號 | |||||||
| Key402 | 定位軸承 | 軸承單元 | ||||||||
| db | B | H | H1 | L | ||||||
|
|
||||||||||
| mm | - | kg | - | |||||||
|
|
||||||||||
| 38 | 536 | 137 | 70 | 210 | 6309 | 6309 | - | 24,5 | PDNB 309 | |