

我們不僅提供SKF OH32/670H軸承,還提供SKF品牌的其他品牌產品,以及SKF OH32/670H軸承的替換型號,萬千種型號,任您選擇。
型號:OH32/670H
品牌:SKF
系列:緊定套
【更新日期:2016/8/3 電腦版 OH32/670H軸承】
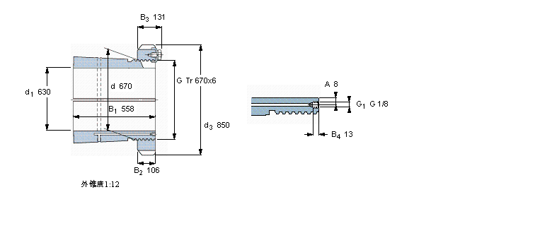
| 緊定套 | ||||||||||
|
|
||||||||||
| 尺寸 | 體積 | 型號 | ||||||||
| 緊定軸套帶螺母 | 鎖定螺母 | 鎖定裝置 | 適宜的液壓 | |||||||
| d1 | d | d3 | B1 | G | 和鎖緊裝置 | 螺母 | ||||
|
|
||||||||||
| mm | kg | - | ||||||||
|
|
||||||||||
| 630 | 670 | 850 | 558 | Tr 670x6 | 401 | OH 32/670 H | HM 31/670 | MS 31/670 | HMV 134 E | |