

SKF OH3176H軸承工業(yè)配套用戶請(qǐng)注意:批量采購(gòu)SKF OH3176H軸承,請(qǐng)至少提前一周與我們聯(lián)系,長(zhǎng)期批量采購(gòu)請(qǐng)?zhí)峁┠甓炔少?gòu)計(jì)劃,我們將十分感謝您的預(yù)見(jiàn)性,我們將提供極為優(yōu)惠的價(jià)格以保障您的權(quán)益。
型號(hào):OH3176H
品牌:SKF
系列:緊定套
【更新日期:2016/8/3 電腦版 OH3176H軸承】
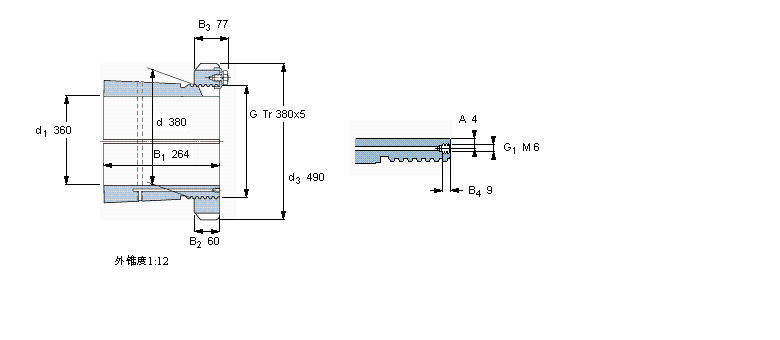
| 緊定套 | ||||||||||
|
|
||||||||||
| 尺寸 | 體積 | 型號(hào) | ||||||||
| 緊定軸套帶螺母 | 鎖定螺母 | 鎖定裝置 | 適宜的液壓 | |||||||
| d1 | d | d3 | B1 | G | 和鎖緊裝置 | 螺母 | ||||
|
|
||||||||||
| mm | kg | - | ||||||||
|
|
||||||||||
| 360 | 380 | 490 | 264 | Tr 380x5 | 61,5 | OH 3176 H | HM 3176 | MS 3176 | HMV 76 E | |