

購買SKF OH30/630H軸承,及OH30/630H軸承同系列產品,或者SKF公司其他產品,請聯系SKF進口軸承經銷 -磐固晟,我們提供準時高效的服務。
型號:OH30/630H
品牌:SKF
系列:緊定套
【更新日期:2016/8/3 電腦版 OH30/630H軸承】
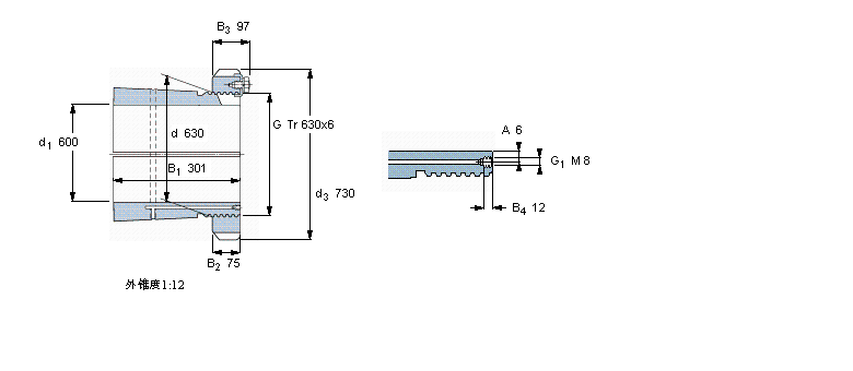
| 緊定套 | ||||||||||
|
|
||||||||||
| 尺寸 | 體積 | 型號 | ||||||||
| 緊定軸套帶螺母 | 鎖定螺母 | 鎖定裝置 | 適宜的液壓 | |||||||
| d1 | d | d3 | B1 | G | 和鎖緊裝置 | 螺母 | ||||
|
|
||||||||||
| mm | kg | - | ||||||||
|
|
||||||||||
| 600 | 630 | 730 | 301 | Tr 630x6 | 138 | OH 30/630 H | HM 30/630 | MS 30/630 | HMV 126 E | |