

我們不僅提供SKF NNCF4916CV軸承,還提供SKF品牌的其他品牌產品,以及SKF NNCF4916CV軸承的替換型號,萬千種型號,任您選擇。
型號:NNCF4916CV
品牌:SKF
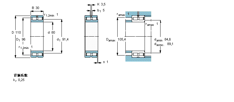
內徑:80
外徑:110
厚度:30
系列:圓柱滾子軸承, 雙列滿裝滾子, 無密封件, 單方向軸向負荷的擋邊
【更新日期:2016/8/3 電腦版 NNCF4916CV軸承】
| 圓柱滾子軸承, 雙列滿裝滾子, 無密封件, 單方向軸向負荷的擋邊 | ||||||||||
| 公差 , 參見文字 | ||||||||||
| 徑向內部游隙 , 參見文字 | ||||||||||
| 推薦配合 | ||||||||||
| 軸和軸承座公差 | ||||||||||
|
|
||||||||||
| 主要數據尺寸 | 基本負荷額定值 | 疲勞負荷限值 | 額定速度 | 體積 | 型號 | |||||
| 動態(tài) | 靜態(tài) | 參照速度 | 限制速度 | |||||||
| d | D | B | C | C0 | Pu | |||||
|
|
||||||||||
| mm | kN | kN | r/min | kg | - | |||||
|
|
||||||||||
| 80 | 110 | 30 | 121 | 216 | 25 | 2600 | 3400 | 0,87 | NNCF 4916 CV | |