

SKF進口軸承經銷 磐固晟為用戶提供高品質的KMT14軸承,無論是工業(yè)配套還是維修市場,用戶都可以在這里找到貨期最短的SKF KMT14軸承,確保您的不間斷生產。
型號:KMT14
品牌:SKF
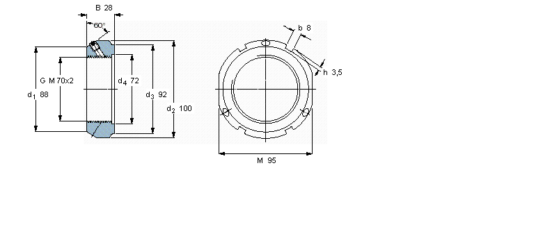
內徑:70
外徑:92
厚度:28
系列:帶鎖緊銷的KMT精密鎖緊定螺母
【更新日期:2016/8/3 電腦版 KMT14軸承】
| 帶鎖緊銷的KMT精密鎖緊定螺母 | ||||||||||
|
|
||||||||||
| 螺紋尺寸 | 尺寸 | 軸向負荷 | 體積 | 型號 | 平頭螺釘 | |||||
| 承載能力 | 鎖定螺母 | 適宜的板手 | 尺寸 | 推薦的緊固扭矩 | ||||||
| d3 | B | G | 靜態(tài) | |||||||
|
|
||||||||||
| - | mm | - | kN | kg | - | - | - | Nm | ||
|
|
||||||||||
| 70 | 92 | 28 | M 70x2 | 490 | 0,75 | KMT 14 | HN 15 | M 8 | 18 | |