

SKF 812/900M軸承是磐固晟長期經銷 的產品,磐固晟與SKF公司具有長期的812/900M軸承采購計劃,可以為國內用戶提供足夠數量的SKF 812/900M軸承,讓您的工廠無憂運轉。
型號:812/900M
品牌:SKF
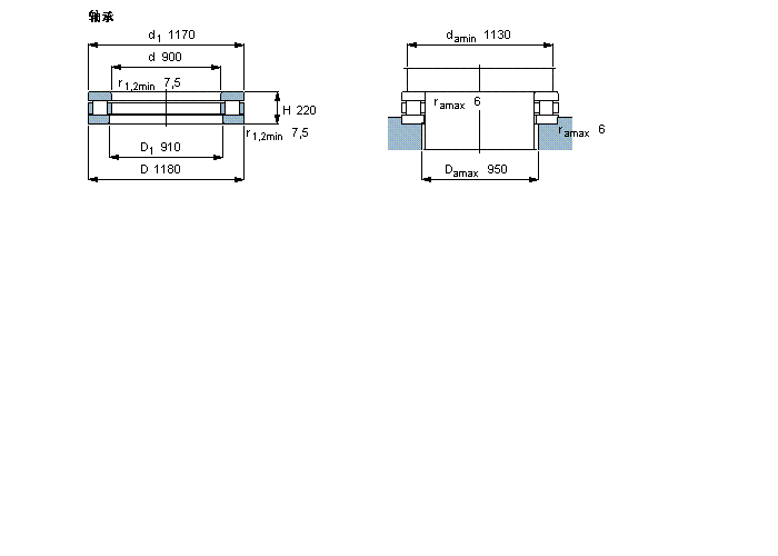
內徑:900
外徑:1180
厚度:220
系列:圓柱滾子推力軸承, 軸承 / 圓柱滾子和保持架止推組件
【更新日期:2016/8/3 電腦版 812/900M軸承】
| 圓柱滾子推力軸承, 軸承 / 圓柱滾子和保持架止推組件 | ||||||||||||
| 公差 , 參見文字 | ||||||||||||
| 推薦配合 | ||||||||||||
| 軸和軸承座公差 | ||||||||||||
|
|
||||||||||||
| 主要數據尺寸 | 基本負荷額定值 | 疲勞負荷限值 | 最小負荷系數 | 額定速度 | 體積 | 型號 | ||||||
| 動態(tài) | 靜態(tài) | 參照速度 | 限制速度 | 軸承 | 圓柱滾子和保持架止推組件 | |||||||
| d | D | H | C | C0 | Pu | A | ||||||
|
|
||||||||||||
| mm | kN | kN | - | r/min | kg | - | ||||||
|
|
||||||||||||
| 900 | 1180 | 220 | 8500 | 49000 | 2650 | 190 | 100 | 200 | 665 | 812/900 M | - | |