

6210-ZNR軸承是SKF公司同時面向工業(yè)配套和維修市場的產品,磐固晟同時經銷 此兩項業(yè)務,不僅為批量采購的用戶提供優(yōu)惠的SKF 6210-ZNR軸承,同時也為零散采購用戶提供價格優(yōu)惠的及時供貨服務。
型號:6210-ZNR
品牌:SKF
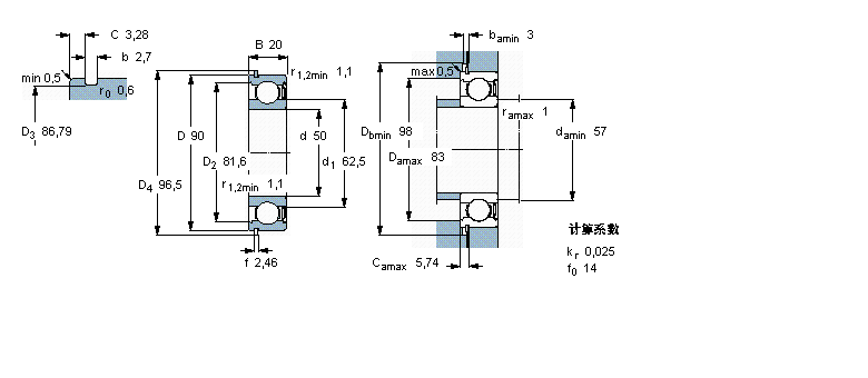
內徑:50
外徑:90
厚度:20
系列:深溝球軸承, 單列,帶止動環(huán)槽, 單面防塵罩
【更新日期:2016/8/3 電腦版 6210-ZNR軸承】
| 深溝球軸承, 單列,帶止動環(huán)槽, 單面防塵罩 | |||||||||||
| 公差 , 參見文字 | |||||||||||
| 徑向內部游隙 , 參見文字 | |||||||||||
| 推薦配合 | |||||||||||
| 軸和軸承座公差 | |||||||||||
|
|
|||||||||||
| 主要數據尺寸 | 基本負荷額定值 | 疲勞負荷限值 | 額定速度 | 體積 | 型號 | ||||||
| 動態(tài) | 靜態(tài) | 參照速度 | 限制速度 | 軸承 | 止動環(huán) | ||||||
| (R = 帶止動環(huán)) | |||||||||||
| d | D | B | C | C0 | Pu | * - SKF Explorer 軸承 | |||||
|
|
|||||||||||
| mm | kN | kN | r/min | kg | - | ||||||
|
|
|||||||||||
| 50 | 90 | 20 | 37,1 | 23,2 | 0,98 | 15000 | 10000 | 0,46 | 6210-ZNR * | SP 90 | |