

購買SKF 321426軸承,及321426軸承同系列產品,或者SKF公司其他產品,請聯(lián)系SKF進口軸承經銷 -磐固晟,我們提供準時高效的服務。
型號:321426
品牌:SKF
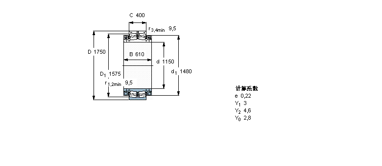
內徑:1150
外徑:1750
厚度:610
系列:球面滾子軸承, 剖分式
【更新日期:2016/8/3 電腦版 321426軸承】
| 球面滾子軸承, 剖分式 | |||||||||
| 公差 , 參見文字 | |||||||||
| 徑向內部游隙 , 參見文字 | |||||||||
| 推薦配合, 參見文字 | |||||||||
| 軸和軸承座公差 | |||||||||
|
|
|||||||||
| 主要數據尺寸 | 基本負荷額定值 | 疲勞負荷限值 | 體積 | 型號 | |||||
| 動態(tài) | 靜態(tài) | ||||||||
| d | D | B | C | C | C0 | Pu | |||
|
|
|||||||||
| mm | kN | kN | kg | - | |||||
|
|
|||||||||
| 1150 | 1750 | 610 | 400 | 20200 | 49000 | 2700 | 4700 | 321426 | |