

購買SKF 239/1060CAF/W33軸承,及239/1060CAF/W33軸承同系列產品,或者SKF公司其他產品,請聯(lián)系SKF進口軸承經銷 -磐固晟,我們提供準時高效的服務。
型號:239/1060CAF/W33
品牌:SKF
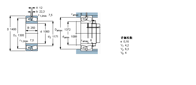
內徑:1060
外徑:1400
厚度:250
系列:球面滾子軸承, 圓柱和圓錐孔, 圓柱型內孔, 無密封件
【更新日期:2016/8/3 電腦版 239/1060CAF/W33軸承】
| 球面滾子軸承, 圓柱和圓錐孔, 圓柱型內孔, 無密封件 | ||||||||||
| 公差 , 參見文字 | ||||||||||
| 徑向內部間隙, 圓柱型內孔 , 圓錐型內孔, 無密封件 , 參見文字 | ||||||||||
| 推薦配合 | ||||||||||
| 軸和軸承座公差 | ||||||||||
|
|
||||||||||
| 主要數據尺寸 | 基本負荷額定值 | 疲勞負荷限值 | 額定速度 | 體積 | 型號 | |||||
| 動態(tài) | 靜態(tài) | 參照速度 | 限制速度 | |||||||
| d | D | B | C | C0 | Pu | |||||
|
|
||||||||||
| mm | kN | kN | r/min | kg | - | |||||
|
|
||||||||||
| 1060 | 1400 | 250 | 9550 | 26000 | 1460 | 180 | 360 | 1100 | 239/1060 CAF/W33 | |