

我們不僅提供SKF 16007/HR11QN軸承,還提供SKF品牌的其他品牌產品,以及SKF 16007/HR11QN軸承的替換型號,萬千種型號,任您選擇。
型號:16007/HR11QN
品牌:SKF
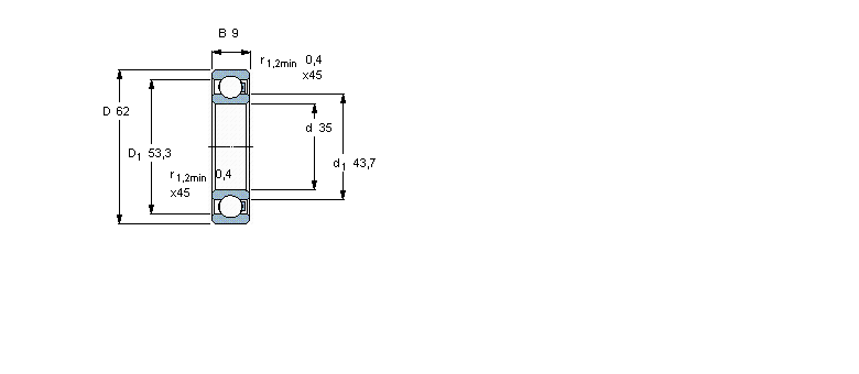
內徑:35
外徑:62
厚度:9
系列:聚合物球軸承,單列球軸承, POM/POM/glass/PA66
【更新日期:2016/8/3 電腦版 16007/HR11QN軸承】
| 聚合物球軸承,單列球軸承, POM/POM/glass/PA66 | ||||||||
|
|
||||||||
| 主要數據尺寸 | 負荷能力 | 額定速度 | 體積 | 型號 | ||||
| d | D | B | 動態(tài) 1) | 靜態(tài) 2) | 最大 3) | 最大 | - | |
| 1) above 50 °C and/or above 20 % | 3) Consider load carrying | |||||||
| of max speed rating consider | capability reduction according | |||||||
| reduction according to diagram | to diagram | |||||||
| 2) above 50 °C consider | ||||||||
| reduction according to diagram | ||||||||
|
|
||||||||
| mm | kN | r/min | kg | - | ||||
|
|
||||||||
| 35 | 62 | 9 | 0,41 | 0,27 | 800 | 0,032 | 16007/HR11QN | |